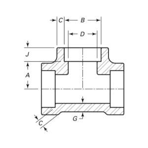
Un T uguale forgiato è un raccordo per tubi forgiato critico con tre aperture di diametro identico, progettato per dividere o combinare uniformemente il flusso di fluidi, gas o vapore nei sistemi di tubazioni. A differenza dei T disuguali, la sua struttura simmetrica garantisce una distribuzione equilibrata del flusso, eliminando gli squilibri di pressione che potrebbero compromettere le prestazioni del sistema, rendendolo un punto fermo nelle applicazioni industriali in cui un flusso costante è vitale.
| Dimensioni | DN15(1/2")~DN600(24") |
| Livello di pressione | Classe 2000~6000 |
| Tipo di filettatura | NPT, BSPP, BSPT |
| Certificato | PED,AD2000,EAC, ABS,BV, DNV,NORSOK M650, ISO9001,ISO14001,ISO45001, ecc. |
| Introduzione alla funzione | Realizza una rotazione del tubo di 45°, il design della connessione filettata consente di risparmiare spazio di installazione, adatto per un layout compatto della tubazione. |
| Campi di applicazione | Progettato per sistemi di tubazioni ad alta pressione, adatto per il collegamento e la guida di parti chiave come la raffinazione del petrolio, apparecchiature per l'energia nucleare, apparecchiature chimiche, recipienti a pressione per caldaie, ecc. |
| Imballaggio | Pacchetto idoneo alla navigazione, casse di compensato o pallet o secondo le esigenze del cliente |
| Prodotti in evidenza | 1、Ordine minimo per piccoli lotti; |
I suoi vantaggi includono una robusta integrità strutturale (la forgiatura riduce al minimo i rischi di fessurazione), una facile integrazione (connessioni saldate/filettate adatte a tubi standard) e una lunga durata. Consentendo un flusso uniforme, riduce l'usura dei componenti a valle, rendendolo essenziale per operazioni di tubazioni affidabili ed efficienti.
Dalla materia prima alla consegna finale, manteniamo un controllo rigoroso in ogni fase per garantire durata, prestazioni e coerenza.
01
02
03
04
05
06
07
08
09
10
11
12
