Il gomito filettato forgiato a 90 gradi ridefinisce l'efficienza nei sistemi di tubazioni, offrendo una soluzione robusta per cambi direzionali precisi di 90° garantendo al contempo installazione e manutenzione senza sforzo grazie al design della connessione filettata. Realizzato in acciaio al carbonio forgiato o acciaio inossidabile di alta qualità, questo gomito combina robustezza eccezionale con resistenza alla corrosione, rendendolo ideale per sistemi di fluidi a bassa pressione dove l'affidabilità e l'adattabilità sono fondamentali. Le estremità filettate consentono un rapido montaggio e smontaggio senza strumenti specializzati, semplificando le routine di manutenzione in applicazioni quali reti di distribuzione dell'acqua, sistemi HVAC e impianti di irrigazione industriale. Il suo design compatto consente di spostarsi con facilità in spazi ristretti, ottimizzando l'efficienza del flusso e riducendo al minimo le turbolenze e le cadute di pressione: un vantaggio fondamentale in ambienti confinati come l'ingegneria navale, la lavorazione alimentare e le strutture farmaceutiche.
| Dimensioni | DN15(1/2")~DN600(24") |
| Livello di pressione | Classe 2000~6000 |
| Tipo di filettatura | NPT, BSPP, BSPT |
| Certificato | PED, AD2000, EAC, ABS, BV, DNV, NORSOK M650, ISO9001, ISO14001, ISO45001, ecc. |
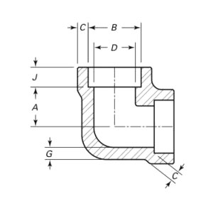
| Introduzione alla funzione | Utilizzato per la rotazione a 90° di tubazioni con attacco filettato, di facile smontaggio e manutenzione, adatto per sistemi fluidi a bassa pressione. |
| Campi di applicazione | Progettato per sistemi di tubazioni ad alta pressione, adatto per il collegamento e la guida di parti chiave come la raffinazione del petrolio, apparecchiature per l'energia nucleare, apparecchiature chimiche, recipienti a pressione per caldaie, ecc. |
| Imballaggio | Pacchetto idoneo alla navigazione, casse di compensato o pallet o secondo le esigenze del cliente |
| Prodotti in evidenza | 1、 Ordine minimo per piccoli lotti; |
Progettato per resistere alle variazioni di temperatura e alle sollecitazioni meccaniche, questo gomito garantisce prestazioni a prova di perdite nei sistemi idraulici, nei controlli pneumatici e nelle linee del vapore a bassa pressione, riducendo i tempi di fermo e i costi operativi a lungo termine. Semplificando l'instradamento complesso ed eliminando potenziali punti di guasto, consente alle industrie di mantenere una gestione dei fluidi senza soluzione di continuità anche in layout con spazio limitato. Per gli ingegneri che danno priorità alla durata, alla flessibilità e al rapporto costo-efficacia, il gomito forgiato con filettatura a 90 gradi rappresenta un alleato fidato. Aggiorna oggi stesso la tua infrastruttura con i nostri gomiti forgiati di precisione, dove prestazioni robuste incontrano un design intelligente, garantendo che i tuoi sistemi funzionino perfettamente in base alle esigenze dell'industria moderna. Scegli l'affidabilità, scegli l'efficienza e trasforma le tue reti di condutture con una soluzione costruita per durare.
Dalla materia prima alla consegna finale, manteniamo un controllo rigoroso in ogni fase per garantire durata, prestazioni e coerenza.
01
02
03
04
05
06
07
08
09
10
11
12
