La flangia per saldatura a presa ridefinisce le connessioni delle tubazioni ad alta pressione integrando una resistenza superiore con una fluidodinamica senza soluzione di continuità, progettata per offrire prestazioni senza pari in applicazioni compatte e ad alto rischio. Progettata per tubi di piccolo diametro, questa flangia utilizza una configurazione di saldatura a bicchiere che incapsula il giunto di saldatura all'interno della flangia stessa, eliminando le sporgenze di saldatura esterne e riducendo al minimo la resistenza al flusso: un vantaggio fondamentale nei sistemi in cui la riduzione della turbolenza e l'igiene sono fondamentali. La saldatura nascosta non solo semplifica la pulizia e l'ispezione in ambienti sterili come gli impianti farmaceutici o di lavorazione alimentare, ma migliora anche l'integrità strutturale, resistendo alle vibrazioni e ai picchi di pressione nelle raffinerie di petrolio e gas, reattori chimici o linee di vapore ad alta pressione. Lavorato con precisione in acciaio al carbonio forgiato o acciaio inossidabile, combina la resistenza alla corrosione con un'eccezionale resistenza alla trazione, garantendo una tenuta a prova di perdite anche a temperature e pressioni estreme.
| Gamma di diametri | DN15(1/2")-DN150(6") |
| Valutazione della pressione | 1,6-16MPa |
| Certificato | PED, AD2000, EAC, ABS, BV, DNV, NORSOK M650, ISO9001, ISO14001, ISO45001, ecc. |
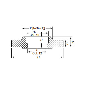
| Introduzione alla funzione | Connessione con saldatura a tasca, Il design della saldatura nascosta riduce la resistenza al flusso, Ottimizzato per applicazioni ad alta pressione di piccolo diametro, Prestazioni di tenuta superiori |
| Campi di applicazione | Applicabile ai collegamenti flangiati dei tubi in oleodotti e gasdotti a lunga distanza, piattaforme offshore, apparecchiature chimiche, sistemi di trattamento dell'acqua e industrie alimentari e farmaceutiche, adattati a condizioni di lavoro complesse. |
| Imballaggio | Pacchetto idoneo alla navigazione, casse di compensato o pallet o secondo le esigenze del cliente |
| Prodotti in evidenza | 1、 Ordine minimo per piccoli lotti; |
Il suo design compatto semplifica l'installazione in spazi ristretti, mentre la connessione robusta resiste all'espansione termica ciclica, rendendolo ideale per piattaforme offshore, turbine di generazione di energia e sistemi idraulici. Eliminando potenziali punti deboli e riducendo i cicli di manutenzione, questa flangia consente alle industrie di dare priorità alla sicurezza senza compromettere l'efficienza. Supportato dalla conformità agli standard ASME B16.5 e da rigorosi test non distruttivi, garantisce affidabilità nelle operazioni mission-critical. Per gli ingegneri che cercano una soluzione compatta e ad alta pressione che unisca durata e ottimizzazione dei fluidi, la flangia per saldatura a presa è la scelta definitiva. Migliora oggi stesso la tua infrastruttura con le nostre flange progettate con precisione, dove l'innovazione incontra la resilienza, consentendo ai tuoi sistemi di funzionare con precisione, sicurezza e incrollabile fiducia. Scegli l'eccellenza, scegli la resistenza e trasforma il potenziale della tua pipeline.
Dalla materia prima alla consegna finale, manteniamo un controllo rigoroso in ogni fase per garantire durata, prestazioni e coerenza.
01
02
03
04
05
06
07
08
09
10
11
12
