La flangia Lap Joint ridefinisce la flessibilità dei sistemi di tubazioni, offrendo una soluzione dinamica per la gestione delle sollecitazioni di espansione e contrazione termica, consentendo allo stesso tempo uno smontaggio senza soluzione di continuità nelle applicazioni a bassa pressione. Combinando un robusto anello flangiato con un componente flangiato girevole, questo design innovativo consente il movimento assiale controllato delle tubazioni, assorbendo efficacemente gli spostamenti indotti dalla temperatura senza compromettere l'integrità strutturale. Disponibile in due configurazioni: tipo ad anello con saldatura di testa (PJ/SE) per giunti saldati ad alta precisione e tipo ad anello con saldatura piatta (PJ/RJ) per un'installazione semplificata, soddisfa le diverse esigenze operative mantenendo prestazioni a prova di perdite. Progettata in acciaio al carbonio o acciaio inossidabile di prima qualità, la flangia resiste alla corrosione e all'usura meccanica, garantendo affidabilità in settori quali la lavorazione chimica, il trattamento delle acque e la produzione alimentare, dove la manutenzione frequente o gli aggiornamenti delle apparecchiature sono di routine.
| Diametro | DN50(2")-DN2000(80") |
| Pressione | 0,6-2,5 MPa |
| Certificato | PED, AD2000, EAC, ABS, BV, DNV, NORSOK M650, ISO9001, ISO14001, ISO45001, ecc. |
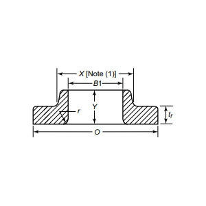
| Introduzione alla funzione | Combinato con anello flangiato e flangiatura, consente lo spostamento assiale della tubazione e riduce lo stress da dilatazione termica. Tipi: anello a saldare di testa (PJ/SE) e anello a saldare piatto (PJ/RJ). Adatto per tubazioni a bassa pressione che richiedono frequenti smontaggi. |
| Campi di applicazione | Applicabile ai collegamenti flangiati dei tubi in oleodotti e gasdotti a lunga distanza, piattaforme offshore, apparecchiature chimiche, sistemi di trattamento dell'acqua e industrie alimentari e farmaceutiche, adattati a condizioni di lavoro complesse. |
| Imballaggio | Pacchetto idoneo alla navigazione, casse di compensato o pallet o secondo le esigenze del cliente |
| Prodotti in evidenza | 1、 Ordine minimo per piccoli lotti; |
Il suo meccanismo rotante semplifica l'allineamento durante l'assemblaggio, riducendo i costi di manodopera e i tempi di inattività in sistemi come macchinari idraulici, reti HVAC o configurazioni industriali modulari. Isolando il movimento della flangia dalle sollecitazioni della tubazione, prolunga la durata di guarnizioni e bulloni, riducendo le spese di sostituzione a lungo termine. Dalle piattaforme offshore che richiedono compensazione termica agli impianti farmaceutici che necessitano di connessioni sterili e facili da pulire, la flangia Lap Joint garantisce la conformità agli standard ASME ed EN adattandosi al tempo stesso alle mutevoli esigenze operative. Supportato da test rigorosi e compatibilità versatile, consente agli ingegneri di progettare infrastrutture resilienti e pronte per il futuro. Aggiorna oggi stesso i tuoi sistemi di tubazioni con le nostre flange Lap Joint, dove l'ingegneria di precisione incontra la resistenza adattiva, consentendo alle tue operazioni di prosperare in ambienti dinamici. Scegli la flessibilità, scegli la resistenza e inaugura una nuova era di efficienza.
Dalla materia prima alla consegna finale, manteniamo un controllo rigoroso in ogni fase per garantire durata, prestazioni e coerenza.
01
02
03
04
05
06
07
08
09
10
11
12
