La flangia Weld Neck rappresenta la soluzione definitiva per ambienti ad alta pressione e alta temperatura, progettata per offrire un'affidabilità senza pari grazie alla robusta connessione saldata di testa e alla superficie di tenuta prodotta con precisione. Progettata per applicazioni critiche, questa flangia si integra perfettamente con le tubazioni tramite una saldatura di testa a penetrazione completa, creando una struttura monolitica che resiste a pressioni estreme, fluttuazioni termiche e stress meccanici, rendendola indispensabile nelle raffinerie di petrolio, negli impianti petrolchimici e nei sistemi di energia nucleare. Il design del collo affusolato non solo rafforza l'integrità strutturale, ma riduce anche al minimo la concentrazione dello stress, garantendo prestazioni a lungo termine in condizioni difficili. Il processo di produzione, che comprende forgiatura avanzata, trattamento termico di distensione, finitura di precisione, rigorosi test non distruttivi (NDT) e trattamenti superficiali anticorrosione, garantisce un componente che supera gli standard del settore in termini di sicurezza e durata.
| Diametro | DN15(1/2")-DN3500(138") |
| Pressione | 0,25-25MPa |
| Certificato | PED, AD2000, EAC, ABS, BV, DNV, NORSOK M650, ISO9001, ISO14001, ISO45001, ecc. |
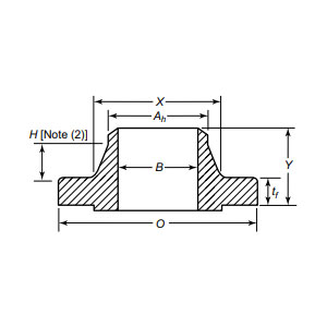
| Introduzione alla funzione | La connessione con saldatura di testa fornisce una tenuta ad alta resistenza per applicazioni ad alta pressione (HP) e ad alta temperatura (HT), garantendo prestazioni a prova di perdite in condizioni estreme |
| Campi di applicazione | Applicabile ai collegamenti flangiati dei tubi in oleodotti e gasdotti a lunga distanza, piattaforme offshore, apparecchiature chimiche, sistemi di trattamento dell'acqua e industrie alimentari e farmaceutiche, adattati a condizioni di lavoro complesse. |
| Imballaggio | Pacchetto idoneo alla navigazione, casse di compensato o pallet o secondo le esigenze del cliente |
| Prodotti in evidenza | 1、Ordine minimo per piccoli lotti; |
Dalle condutture sottomarine che resistono all'acqua di mare corrosiva alle turbine a vapore che funzionano a temperature torride, la flangia Weld Neck garantisce tenuta a prova di perdite e continuità operativa. Le industrie che richiedono una qualità senza compromessi, come i sistemi di fluidi aerospaziali o lo stoccaggio criogenico, fanno affidamento sulla sua capacità di mantenere l'integrità in condizioni di carico ciclico e di esposizione a mezzi aggressivi. Combinando la resilienza superiore del materiale con l'ingegneria di precisione, questa flangia riduce i costi del ciclo di vita riducendo al minimo i tempi di fermo e la manutenzione. Per gli ingegneri incaricati di salvaguardare infrastrutture ad alto rischio, la flangia Weld Neck è la scelta definitiva. Migliora oggi stesso le prestazioni del tuo sistema con le nostre flange Weld Neck di alta qualità, dove la produzione all'avanguardia incontra la resilienza di livello industriale, consentendo alle tue operazioni di superare gli estremi di pressione, temperatura e tempo. Scegli l'eccellenza, scegli la resistenza e costruisci una base a prova di futuro per i tuoi sistemi critici.
Dalla materia prima alla consegna finale, manteniamo un controllo rigoroso in ogni fase per garantire durata, prestazioni e coerenza.
01
02
03
04
05
06
07
08
09
10
11
12
