La flangia filettata rivoluziona la connettività delle tubazioni offrendo una soluzione sicura e senza saldature per unire tubi filettati, rendendola la scelta definitiva per ambienti in cui sicurezza e adattabilità non sono negoziabili. Progettata con filettatura interna di precisione, questa flangia si integra perfettamente con tubi o sistemi in acciaio zincato in cui è vietata la saldatura, come ambienti industriali infiammabili, esplosivi o altamente sensibili. Il suo design innovativo elimina i rischi di incendio associati alla saldatura, garantendo la conformità a rigorosi protocolli di sicurezza e fornendo allo stesso tempo una tenuta robusta e a prova di perdite che resiste alle richieste di alta pressione. La connessione filettata consente un'installazione e uno smontaggio rapidi, consentendo ai team di manutenzione di risolvere i problemi o aggiornare i sistemi senza attrezzature specializzate, riducendo i tempi di inattività in operazioni critiche come la lavorazione chimica, la distribuzione di petrolio e gas o la produzione farmaceutica.
| Dimensioni | DN15(1/2")-DN600(24") |
| Valutazione della pressione | 0,6-4,0 MPa |
| Intervallo di temperatura | Da -45 ℃ a 260 ℃ |
| Certificato | PED,AD2000,EAC, ABS,BV, DNV,NORSOK M650, ISO9001,ISO14001,ISO45001, ecc. |
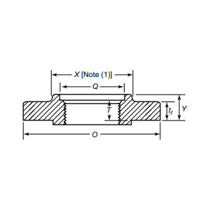
| Introduzione alla funzione | La flangia filettata si collega al tubo filettato tramite filettatura interna del tubo, eliminando la saldatura. Ideale per tubi in acciaio zincato o ambienti di saldatura ristretti (infiammabili/esplosivi). Presenta facilità di installazione e manutenzione flessibile, particolarmente adatto per acciai legati e altri materiali con scarsa saldabilità. |
| Campi di applicazione | Applicabile ai collegamenti flangiati dei tubi in oleodotti e gasdotti a lunga distanza, piattaforme offshore, apparecchiature chimiche, sistemi di trattamento dell'acqua e industrie alimentari e farmaceutiche, adattati a condizioni di lavoro complesse. |
| Imballaggio | Pacchetto idoneo alla navigazione, casse di compensato o pallet o secondo le esigenze del cliente |
| Prodotti in evidenza | 1、Ordine minimo per piccoli lotti; |
Ideale per materiali soggetti a problemi di saldatura, come l'acciaio legato, la flangia filettata preserva l'integrità del materiale, evitando fragilità o distorsioni causate dal calore. La sua struttura resistente alla corrosione, disponibile in acciaio al carbonio o acciaio inossidabile, garantisce longevità anche in ambienti difficili, dalle piattaforme di perforazione offshore ai sistemi igienico-sanitari per uso alimentare. Supportata da una rigorosa conformità agli standard globali, questa flangia garantisce affidabilità in applicazioni ad alto rischio, inclusi sistemi idraulici, tubazioni criogeniche e trasferimenti di fluidi combustibili. Per le industrie che danno priorità alla sicurezza, all'efficienza e alla manutenzione economicamente vantaggiosa, la flangia filettata è una soluzione trasformativa. Migliora oggi la tua infrastruttura con le nostre flange filettate premium: dove l'innovazione incontra la sicurezza senza compromessi, consentendo ai tuoi sistemi di funzionare perfettamente nelle condizioni più impegnative. Scegli la fiducia, scegli la durabilità e ridefinisci il potenziale della tua pipeline.
Dalla materia prima alla consegna finale, manteniamo un controllo rigoroso in ogni fase per garantire durata, prestazioni e coerenza.
01
02
03
04
05
06
07
08
09
10
11
12
